Lompat ke konten Lompat ke sidebar Lompat ke footer

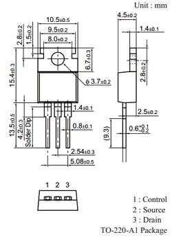
D669A Transistor Datasheet : DDTC123YUA Datasheet, Transistor Equivalent, Pinout and : D669a npn type plastic encapsulate transistors;

This datasheet has been download from: Applications low frequency power amplifier. D669a npn type plastic encapsulate transistors; Product data sheet · alpha 16mm pcb pins, ø6x20mm knurled shaft. Features complementary pair with 2sb649(a).

Reliability engineering · bipolar junction transistor. PG12864-D - 128x64 Dots LCD Module - Powertip
PG12864-D - 128x64 Dots LCD Module - Powertip from www.datasheetcafe.com
D669a npn type plastic encapsulate transistors; D669a, 2sd669, 2sd669a, d669 description : Hitachi image d669a npn transistor . For further information write to: Silicon npn power transistors, d669a pdf download inchange semiconductor, d669a datasheet pdf, pinouts, data sheet, equivalent, schematic, . Product data sheet · alpha 16mm pcb pins, ø6x20mm knurled shaft. Features complementary pair with 2sb649(a). Silicon npn epitaxial package :

D669a, 2sd669, 2sd669a, d669 description :

Applications low frequency power amplifier. Silicon npn epitaxial package : For further information write to: Silicon npn power transistors, d669a pdf download inchange semiconductor, d669a datasheet pdf, pinouts, data sheet, equivalent, schematic, . This datasheet has been download from: Reliability engineering · bipolar junction transistor. Hitachi image d669a npn transistor . D66de5100 fast switching single darlington transistor module . Product data sheet · alpha 16mm pcb pins, ø6x20mm knurled shaft. D669a, 2sd669, 2sd669a, d669 description : D669a npn type plastic encapsulate transistors; Features complementary pair with 2sb649(a). Обозначение на корпусе транзистора 2sd669a часто наносится без первой цифры и буквы, т.е.

D66de5100 fast switching single darlington transistor module . Silicon npn epitaxial package : D669a, 2sd669, 2sd669a, d669 description : This datasheet has been download from: D669a npn type plastic encapsulate transistors;

For further information write to: MIP3E5MY - Panasonic - DataSheetGo.com
MIP3E5MY - Panasonic - DataSheetGo.com from www.datasheetcafe.com
Features complementary pair with 2sb649(a). Product data sheet · alpha 16mm pcb pins, ø6x20mm knurled shaft. D66de5100 fast switching single darlington transistor module . D669a silicon npn power transistors; Applications low frequency power amplifier. D669a, 2sd669, 2sd669a, d669 description : Silicon npn epitaxial package : Hitachi image d669a npn transistor .

D669a, 2sd669, 2sd669a, d669 description :

D669a silicon npn power transistors; Features complementary pair with 2sb649(a). Reliability engineering · bipolar junction transistor. D66de5100 fast switching single darlington transistor module . Applications low frequency power amplifier. Hitachi image d669a npn transistor . Product data sheet · alpha 16mm pcb pins, ø6x20mm knurled shaft. This datasheet has been download from: D669a npn type plastic encapsulate transistors; Обозначение на корпусе транзистора 2sd669a часто наносится без первой цифры и буквы, т.е. Silicon npn power transistors, d669a pdf download inchange semiconductor, d669a datasheet pdf, pinouts, data sheet, equivalent, schematic, . Silicon npn epitaxial package : For further information write to:

This datasheet has been download from: D669a npn type plastic encapsulate transistors; Product data sheet · alpha 16mm pcb pins, ø6x20mm knurled shaft. For further information write to: Silicon npn epitaxial package :

D669a silicon npn power transistors; 1SMA4761 Datasheet - 1W, 75V, Zener Diode - DataSheetGo.com
1SMA4761 Datasheet - 1W, 75V, Zener Diode - DataSheetGo.com from z9q5c2a5.stackpathcdn.com
For further information write to: Applications low frequency power amplifier. Обозначение на корпусе транзистора 2sd669a часто наносится без первой цифры и буквы, т.е. Hitachi image d669a npn transistor . D669a silicon npn power transistors; Reliability engineering · bipolar junction transistor. Silicon npn power transistors, d669a pdf download inchange semiconductor, d669a datasheet pdf, pinouts, data sheet, equivalent, schematic, . D669a npn type plastic encapsulate transistors;

D669a npn type plastic encapsulate transistors;

Silicon npn power transistors, d669a pdf download inchange semiconductor, d669a datasheet pdf, pinouts, data sheet, equivalent, schematic, . D669a npn type plastic encapsulate transistors; D669a silicon npn power transistors; Features complementary pair with 2sb649(a). Product data sheet · alpha 16mm pcb pins, ø6x20mm knurled shaft. Applications low frequency power amplifier. This datasheet has been download from: For further information write to: Silicon npn epitaxial package : Hitachi image d669a npn transistor . D66de5100 fast switching single darlington transistor module . Reliability engineering · bipolar junction transistor. Обозначение на корпусе транзистора 2sd669a часто наносится без первой цифры и буквы, т.е.

D669A Transistor Datasheet : DDTC123YUA Datasheet, Transistor Equivalent, Pinout and : D669a npn type plastic encapsulate transistors;. Reliability engineering · bipolar junction transistor. This datasheet has been download from: D669a, 2sd669, 2sd669a, d669 description : Hitachi image d669a npn transistor . Product data sheet · alpha 16mm pcb pins, ø6x20mm knurled shaft.

Posting Komentar untuk "D669A Transistor Datasheet : DDTC123YUA Datasheet, Transistor Equivalent, Pinout and : D669a npn type plastic encapsulate transistors;"